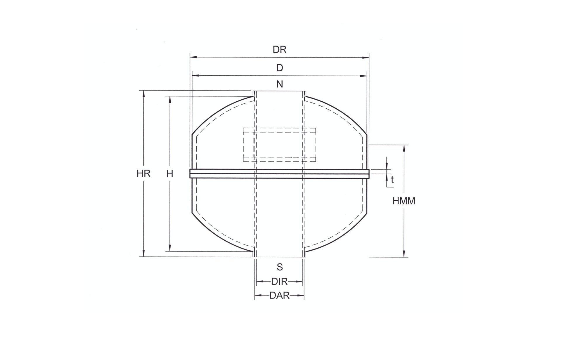
Zylinderschwimmer
mit Kugelböden Typ 2
Produktinformation
Durchmesser | D: von 9 mm bis 1200 mm
Durchmesser Rand | DR: abhängig von D & t
Höhe | H: bitte angeben
Materialstärke | t: von 0,2 mm bis 4,0 mm
Werkstoff: beliebiges Metall
Aufhängung: beliebig (Beispiele siehe Anhang)
Innendurchmesser Rohr | DIR: bitte angeben
Außendurchmesser Rohr | DAR: bitte angeben
Rohrlänge | HR: bitte angeben
Höhe Magnetmitte | HMM: bitte angeben
Nordpol | N: bitte Polarisierung angeben
Südpol | S: bitte Polarisierung angeben
Durchmesser Rand | DR: abhängig von D & t
Höhe | H: bitte angeben
Materialstärke | t: von 0,2 mm bis 4,0 mm
Werkstoff: beliebiges Metall
Aufhängung: beliebig (Beispiele siehe Anhang)
Innendurchmesser Rohr | DIR: bitte angeben
Außendurchmesser Rohr | DAR: bitte angeben
Rohrlänge | HR: bitte angeben
Höhe Magnetmitte | HMM: bitte angeben
Nordpol | N: bitte Polarisierung angeben
Südpol | S: bitte Polarisierung angeben
Zylinderschwimmer
mit geraden Böden Typ 3
Produktinformation
Durchmesser | D: von 6 mm bis 2500 mm
Durchmesser Rand | DR: abhängig von D & t
Höhe | H: bitte angeben
Materialstärke | t: von 0,2 mm bis 4,0 mm
Werkstoff: beliebiges Metall
Aufhängung: beliebig (Beispiele siehe Anhang)
Innendurchmesser Rohr | DIR: bitte angeben
Außendurchmesser Rohr | DAR: bitte angeben
Rohrlänge | HR: bitte angeben
Höhe Magnetmitte | HMM: bitte angeben
Nordpol | N: bitte Polarisierung angeben
Südpol | S: bitte Polarisierung angeben
Durchmesser Rand | DR: abhängig von D & t
Höhe | H: bitte angeben
Materialstärke | t: von 0,2 mm bis 4,0 mm
Werkstoff: beliebiges Metall
Aufhängung: beliebig (Beispiele siehe Anhang)
Innendurchmesser Rohr | DIR: bitte angeben
Außendurchmesser Rohr | DAR: bitte angeben
Rohrlänge | HR: bitte angeben
Höhe Magnetmitte | HMM: bitte angeben
Nordpol | N: bitte Polarisierung angeben
Südpol | S: bitte Polarisierung angeben
Zylinderschwimmer
mit gewölbten Böden Typ 4
Produktinformation
Durchmesser | D: von 9 mm bis 3000 mm
Durchmesser Rand | DR: abhängig von D & t
Höhe | H: bitte angeben
Wölbungshöhe | h1 & h2: gegebenenfalls angeben
Materialstärke | t: von 0,2 mm bis 4,0 mm
Werkstoff: beliebiges Metall
Aufhängung: beliebig (Beispiele siehe Anhang)
Innendurchmesser Rohr | DIR: bitte angeben
Außendurchmesser Rohr | DAR: bitte angeben
Rohrlänge | HR: bitte angeben
Höhe Magnetmitte | HMM: bitte angeben
Nordpol | N: bitte Polarisierung angeben
Südpol | S: bitte Polarisierung angeben
Durchmesser Rand | DR: abhängig von D & t
Höhe | H: bitte angeben
Wölbungshöhe | h1 & h2: gegebenenfalls angeben
Materialstärke | t: von 0,2 mm bis 4,0 mm
Werkstoff: beliebiges Metall
Aufhängung: beliebig (Beispiele siehe Anhang)
Innendurchmesser Rohr | DIR: bitte angeben
Außendurchmesser Rohr | DAR: bitte angeben
Rohrlänge | HR: bitte angeben
Höhe Magnetmitte | HMM: bitte angeben
Nordpol | N: bitte Polarisierung angeben
Südpol | S: bitte Polarisierung angeben
Fertigung:
Wir fertigen bereits ab einem Stück bis hin zur Großserie.
Wir verarbeiten ausschließlich Metalle wie unter anderem:
Aluminium
Chrom-Nickelstähle (1.4016, 1.4301, 1.4306, 1.4307, 1.4401, 1.4404, 1.4435, 1.4439, 1.4462, 1.4539, 1.4541, 1.4571, 1.4828 u.s.w.)
Kupfer
Messing
Nickelbasiswerkstoffe (Alloy 625, Alloy 825, B2, B3, C2, C4, C22, C276, Monel 400 u.s.w.)
Tantal
Titan (Gr.1, Gr.2, Gr.4)
Wir fertigen bereits ab einem Stück bis hin zur Großserie.
Wir verarbeiten ausschließlich Metalle wie unter anderem:
Aluminium
Chrom-Nickelstähle (1.4016, 1.4301, 1.4306, 1.4307, 1.4401, 1.4404, 1.4435, 1.4439, 1.4462, 1.4539, 1.4541, 1.4571, 1.4828 u.s.w.)
Kupfer
Messing
Nickelbasiswerkstoffe (Alloy 625, Alloy 825, B2, B3, C2, C4, C22, C276, Monel 400 u.s.w.)
Tantal
Titan (Gr.1, Gr.2, Gr.4)
Materialstärken:
Tiefziehteile und Schwimmer von 0,2 mm bis 4,0 mm
Laserzuschnitte von 0,2 mm bis 25 mm.
Anbauteile:
Jeder Schwimmer kann mit jedem Anbauteil (Aufhängung, Füllschraube, Führungsrohr, Magnetsystem u.s.w.) gebaut werden.
Prüfung:
Druckprüfung auf Wunsch bis 400 bar möglich.
Röntgenprüfung auf Wunsch möglich.
Alle Schwimmer werden zu 100 % auf Dichtheit geprüft.
Tiefziehteile und Schwimmer von 0,2 mm bis 4,0 mm
Laserzuschnitte von 0,2 mm bis 25 mm.
Anbauteile:
Jeder Schwimmer kann mit jedem Anbauteil (Aufhängung, Füllschraube, Führungsrohr, Magnetsystem u.s.w.) gebaut werden.
Prüfung:
Druckprüfung auf Wunsch bis 400 bar möglich.
Röntgenprüfung auf Wunsch möglich.
Alle Schwimmer werden zu 100 % auf Dichtheit geprüft.